| Проекты/ Энергетическая промышленность
АСУТП багерной насосной станции №3
Заказчик: ТОО «Усть-Каменогорская ТЭЦ», г. Усть-Каменогорск
Описание объекта автоматизации
Багерная насосная №3 предназначена для откачки отработанной воды и пульпы после очистки котлоагрегатов. Котлоагрегат омывается водообмывочными аппаратами и пульпа собирается в золоотвальной и шлаковой приемных емкостях. Пульпа подается на золоотвал №3 по трем золошлакопроводам: два золошлакопровода – С1, С2, диаметром 500 мм, третий золошлакопровод – С3, диаметром 300 мм.
Для откачки пульпы на золоотвал №3, в багерной насосной установлено четыре багерных насоса, работающих в паре: багерные насосы БН8 и БН9, багерные насосы БН10 и БН11. Для запуска багерных насосов предусмотрены устройства управления: устройства плавного пуска (УПП) и частотный преобразователь (ЧП), по одному на каждую группу. Запуск насоса в работу осуществляется либо от УПП, либо от ЧП. Выбор режима работы багерного насоса осуществляется оператором.

Шкаф управления АСУТП
Назначение системы автоматизации
АСУТП предназначена для дистанционного ручного и автоматизированного (в соответствии с заданными алгоритмами) управления оборудованием багерной насосной станции №3 ТОО «Усть-Каменогорская ТЭЦ».
Система реализует следующие функции:
- Дистанционное управление технологическим оборудованием в ручном либо автоматизированном режиме.
- Автоматическое регулирование.
- Технологические блокировки оборудования.
- Формирование сигнализации и поясняющих сообщений при выходе параметров за технологические, предупредительные и аварийные границы, а также при нештатных режимах работы технологического оборудования.
- Ведение архива сообщений и архива процессных переменных (графиков).
- Предоставление интерфейса для оператора в виде мнемосхем технологического процесса.

Главная мнемосхема багерной насосной станции №3
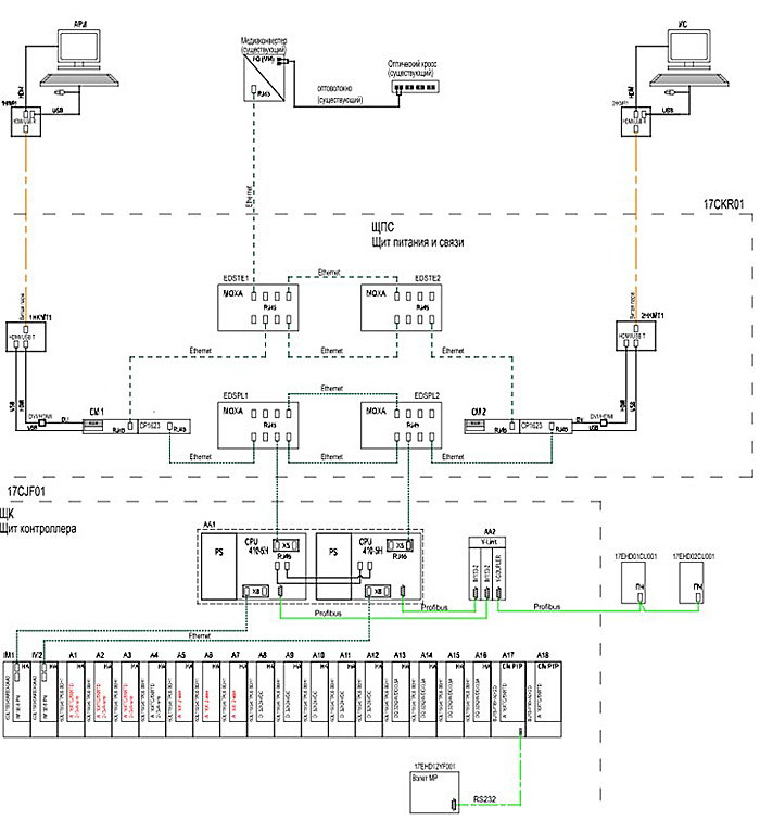
Структура системы
На рисунке представлена структурная схема комплекса технических средств АСУТП. Главным компонентом АСУТП является станция автоматизации на базе резервированного контроллера фирмы Siemens SIMATIC S7-410-5H со станциями распределённого ввода/вывода SIMATIC ET200SP HA.
Контроллер S7-400H содержат специальное программное обеспечение, реализующее алгоритмы управления. Станция распределённого ввода вывода подключается к станции автоматизации по резервированной сети PROFINET.
Контроль и управление технологическим процессом производится с АРМ оператора, представляющего собой резервированную одиночную станцию SCADA-системы (PCS7 OS Single Station Redundancy). Аппаратная часть резервированного АРМ оператора представляет собой два компьютера промышленного исполнения Siemens SIMATIC IPC547J. Монитор, клавиатура и мышь подключаются к АРМ при помощи KVM-удлинителя по витой паре UTP.
Передача данных между контроллером S7-410 и АРМ производится по сети Industrial Ethernet с пропускной способностью до 100 Мбит/с.
Программное обеспечение: SIMATIC PCS7 v9.1 SP2.

Структурная схема КТС
Сроки реализации проекта:
Разработка ПКД и ПО: март – июль 2024 года.
Поставка шкафов управления, контроллерного оборудования, ПЭВМ и лицензионного системного ПО: август 2024 года.
Монтажные работы: сентябрь 2024 года.
Пусконаладочные работы: сентябрь 2024 – октябрь 2024 года.
Ввод в эксплуатацию: октябрь 2024 года. |